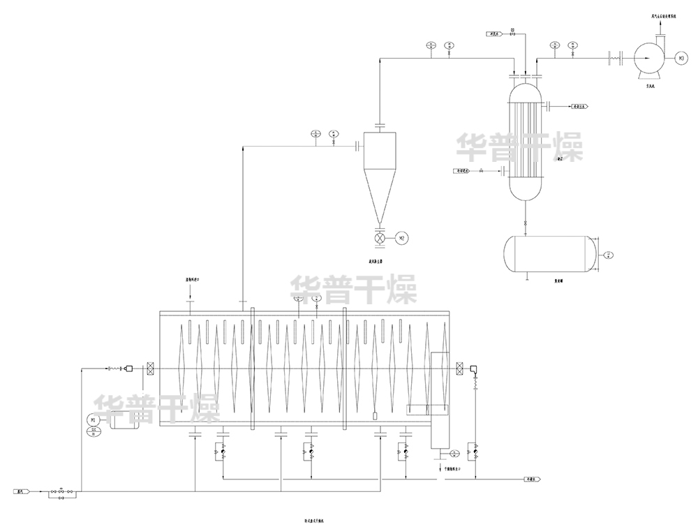
圓盤干燥劑干燥流程圖
進入收集來的車載污泥存儲于混凝土料倉,經底部泵輸送系統(或抓斗行車系統)定量連續加入到干燥機內,物料在干燥機內與葉片充分接觸,物料被加熱,物料一邊干燥一邊向后移動,干燥后的物料經連續排出進入刮板機,最后進入料倉。
干燥利用低壓飽和蒸汽或過熱蒸汽對物料間接加熱,使其中的水分蒸發,蒸氣冷凝成水通過疏水閥排出,冷凝水回收再利用。
干燥機殼體內設定為負壓操作,干燥蒸發出的水蒸氣經負壓引出,進入旋風除塵器進行除塵,凈化后進入冷凝器進行降溫冷凝脫水。產生的尾氣經風機進入后續焚燒系統。冷凝器采用循環冷卻水對水蒸氣進行冷卻。
污泥干燥大多采用傳導加熱形式的臥式圓盤干燥機或空心槳葉干燥機。
臥式圓盤式干燥機工作原理是
在干燥室內, 帶有數十片圓盤的轉子緩慢旋轉,蒸汽作為熱介質從轉子空心軸的一端進入, 通過旋轉金屬圓盤將熱量傳遞給物料, 物料在金屬圓盤外吸熱增焓不斷蒸發濕份, 凝結的冷凝水從轉子另一端排出。轉子周邊固定有帶一定傾角的刮板, 隨著旋轉不斷將被干燥物料刮起和攪拌, 同時將物料從入口一側推向出口一側。合理地設計干燥室長度、轉子轉速、刮板數量和角度, 能使物料從干燥室一端前進到另一端出口處時恰好完成整個干燥過程。 蒸發的濕份則由頂部引風機抽出。
